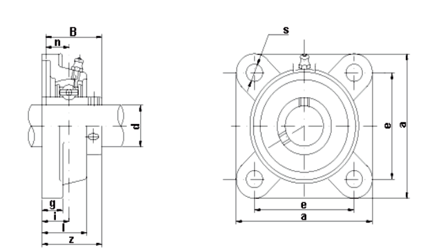
Tabella misure Supporti UCF in plastica con cuscinetto

SUPPORTI PUCF PLASTICA

PUCF MISUREPUCF SCHEMA